28MT

Delco Remy 28MT Motor de Partida




Especificações Técnicas


Modelo: Motor de partida 28MT
Tipo: Tipo Offset
Tensão: 12 e 24V
Potência: 2,90kW (12V)/3,96kW (24V)
Peso: 8,4kg
Pinhão: Nº dentes - módulo
(10 - 10/12), (10 - 8/10), (12 - 8/10), (9 - Mod3)
Polaridade: Terra negativo
Rotação: Horário CW
Montagem: SAE #1, #4 e Pad Mount
Aplicações recomendadas: Motores Diesel até 6.5l (12V)/
Motores Diesel até 7.5l (24V)
Informação adicional: Produto com opção de substituição para 29MT


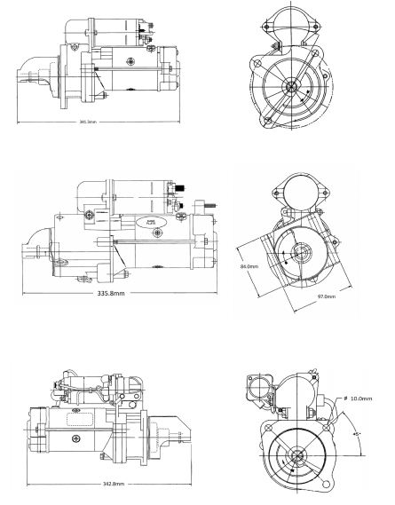
Dimensões





Atenção: As informações técnicas dos produtos são valores referenciais podendo variar em função da severidade da aplicação, utilização e de fatores ambientais como tempo, unidade e pressão atmosférica.